
J&R JREX101-CB-HB-SIP
Войдите,
чтобы видеть
вашу цену
Персональная скидка, остатки в реальном времени и отсрочка платежа — после авторизации.
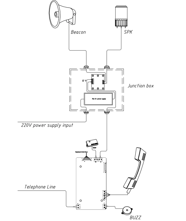
Всепогодный взрывозащищенный промышленный SIP-телефон в комплекте с взрывозащищенными горном и проблесковым маяком. Изготовлен из литого под давлением алюминия с антикоррозионным эпоксидным порошковым покрытием и имеет степень защиты от окружающей среды IP67. Рекомендован для использования в метро, горнодобывающей промышленности, шахтах с вероятностью появления взрывоопасных газов, нефтедобывающих предприятиях, тоннелях, заводах, электростанциях, предприятиях с большим количеством взвесей в воздухе (изготовление продуктов из муки и сухого молока) и т. д.
Возможна поставка данного устройства в аналоговом исполнении и в различных цветах. Цены и условия уточняйте в отделе продаж компании "АйПиМатика".
Внимание: поставка осуществляется в комплекте. По техническим особенностям невозможно дооснастить уже имеющийся взрывозащищенный телефон J&R горном и/или маяком. Стоимость устройства в комплекте только с горном или проблесковым маячком такая же, как и в полной комплектации.
Гарантия 36 месяцев.
*Внешний вид устройства может отличаться от представленного.
**Производитель оставляет за собой право без предварительного уведомления покупателя вносить изменения в конструкцию, комплектацию, технологию изготовления или технические характеристики изделия с целью улучшения его качества.
*** Цена указана на 1 шт. из наличия и может отличаться от представленной на сайте в зависимости от объема заказа.